
- VK-BR mašina za pranje staklenih flaša
- VK-PF mašina za punjenje ulja 4 glave
- VK-VC mašina za vakuumsko zatvaranje
- VK-RPL mašina za etiketiranje okruglih boca
Potpuno automatska linija za punjenje može se prilagoditi prema zahtjevima kupca i uzorcima koje kupac nudi. Kao dole navedene su osnovne informacije za ovu potpuno automatsku liniju punjenja za prehrambenu industriju:
Staklene boce Air Washing Machien Vacuum Washer Equipment
U pitanju je automatska mašina za pranje boca na vazduh. kapacitet zavisi od mlaznica za pranje vazduha.
Vazdušni kompresor transportuje vazduh unutar vakuumskog kontejnera, gas kroz elektromagnetni ventil i ionski generator je pročišćen, trahealni gasni šampon izduvava gas u boce kroz otvor za ispiranje gasa, izduvava strano lice iz usta za ispiranje gasa pritiskom gasa, nazad trahealni otpadni gas napolje kroz kontrolu emisije.

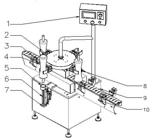
| 1 | Kontrolni panel | 2 | Boce |
| 3 | Pojas za hranjenje boca | 4 | Senzor za hranjenje na flašice |
| 5 | struktura za fiksiranje boca | 6 | Ispiranje ubrizgavanje |
| 7 | Electrostatic Tuyere | 8 | Tačka za pričvršćivanje boca |
| 9 | Pojas za izlaz boca | 10 | Traka vodiča |
Osnovni parametar automatske rotacione mašine za pranje veša za staklene boce:

Model: VK-BR
Odijelo za bocu: 20-1000ml
Kapacitet proizvodnje: 8 mlaznica za čišćenje: 3600~4800bph
Raspon pritiska vazduha: 6~8kg/cm2
Potrošnja vazduha: 25m3/h
Napajanje: 220V 50/60Hz
Potrošnja energije: 0,75Kw
Buka jedne mašine: ≤70dB
Prečišćeni vazduh: 0,2μm
Vrijeme čišćenja: 3~5s
Neto težina: 350 kg
Ukupne dimenzije: 1200 x 800 x 1600 mm
Mašina za punjenje ulja sa 4 glave linearnog punjača

Mašina za punjenje maslina sa 4 glave, kontrolisana mikrokompjuterom, kombinuje fotoelektričnost sa pneumatskim radom, tako da se široko primenjuje za tečno punjenje poljoprivrednih hemikalija, rastvora, tečnog deterdženta, kozmetike kao i maslina.
Zapremina punjenja je precizna, bez pjene i stabilna. Mašina može puniti tečnost u rasponu od 25-1000ml, pri čemu nema posebnih zahteva za oblike boca. To znači da može napuniti tečnost za obične boce kao i za boce u obliku irugule.

Model: VK-PF
Opseg punjenja: 50~3000ml
Brzina punjenja: <20-30b/m (za 500-1000ml tečnosti)
Preciznost: ±1%
Snaga/napajanje: 0,8kw、220v
Radni pritisak: 5~6kg/cm3
Potrošnja vazduha: 0,5-0,7mpa
NW: 500 kg
Vanjske dimenzije: 2000×800×1900 mm
Oznaka: Mlaznice za punjenje mogu biti dizajnirane i proizvedene prema zahtjevima kupaca o opsegu punjenja i brzini punjenja
Linearna mašina za vakuumsko zatvaranje Vk-Vc tegle Oprema za zatvaranje:
Ovu linijsku mašinu za zatvaranje istražuje i razvija naša kompanija sa dugogodišnjim iskustvom, jedinstvena je u domaćem. Integrisano automatsko raspoređivanje kapa sa pokrivanjem, vakuumsko zatvaranje.
Usvojena ručna vakuum pumpa za postizanje visokog vakuuma. Sa funkcijama bez boce bez pokrivanja, alarmantno kada nema dostupnih čepova. Uživao u visokoj automatizaciji. Glavni pneumatski i električni dijelovi su svjetski poznatih brendova.
Sa stabilnim i pouzdanim performansama. Široko se koristi za vakuumsko zatvaranje staklenih posuda sa željeznim čepovima u industriji konzervirane hrane, pića, začina, zdravstvenih proizvoda itd.

Snaga: ≤2.3KW (uključujući vakuum pumpu)
Kapacitet proizvodnje: 50-60BPM
Prečnik poklopca: ¢30-¢55mm ¢50-¢85mm
Visina boce: 80-250 mm
Prečnik boce: ¢30-¢85mm
Maksimalni vakuum: -0,08mpa
Završna torzija: 5-20N.M
Potrošnja vazduha: 0,6M3/0,7Mpa
Dimenzije mašine: oko 3000×1000×1900 mm
Težina: oko 850 kg
Vk-Rpl mašina za etiketiranje okruglih boca

primjena: Zahtijevajte obodnu površinu membrane pričvršćene etikete ili proizvoda.
industrija: Široko se koristi u prehrambenoj, medicinskoj, kozmetičkoj, kozmetičkoj, elektronskoj, metalnoj, plastičnoj i drugim industrijama.
primjena: Označavanje PET okruglih boca, etiketiranje plastičnih boca, konzervirane hrane i tako dalje.

Odgovarajuća dužina etikete (mm): 20 mm ~ 314 mm
Primjenjiva širina naljepnice (širina podloge / mm): 15 mm ~ 150 mm
Primjenjivi promjer proizvoda (za okruglu bocu) i visina: promjer: φ25mm ~ φ100mm
Visina: 25 mm ~ 230 mm
Primjenjivi standardni promjer rolne (mm): φ280mm
Primjenjivi standardni promjer rolne (mm): φ76mm
Preciznost označavanja (mm): ± 1 mm
Standardna brzina (m/min): Servo: 5 ~ 25m/min Korak: 5 ~ 19m/min
Brzina označavanja (kom/min): Korak: 30 ~ 80 kom/min (sa veličinom boce i etikete)
Servo: 40 ~ 120 kom/min
Brzina transportera (m/min): 5 ~ 25m/min
Težina (kg): oko 185 kg
Frekvencija (HZ): 50HZ Napon (V): 220V
Snaga (W): 530W (traction stepper) 980W (traction servo)
Dimenzije uređaja (mm) (D × Š × V): 1950 mm × 1100 mm × 1300 mm


Drvena kutija za pakovanje:

Servis nakon prodaje za liniju za punjenje

Garantujemo kvalitet glavnih delova u roku od 12 meseci. Ako se glavni dijelovi pokvare bez umjetnih faktora u roku od godinu dana, mi ćemo ih besplatno obezbijediti ili održavati za vas. Nakon godinu dana, ako trebate promijeniti dijelove, ljubazno ćemo vam dati najbolju cijenu ili je održavati na vašoj web stranici. Kad god imate tehničkih pitanja u vezi sa njom, mi ćemo se slobodno potruditi da vam pružimo podršku.
Garancija kvaliteta:
Proizvođač garantuje da je roba napravljena od najboljih materijala Proizvođača, sa prvoklasnom izradom, potpuno nova, nekorišćena i u svakom pogledu odgovara kvalitetu, specifikaciji i performansama kako je navedeno u ovom ugovoru. Period garancije kvaliteta je u roku od 12 meseci od datuma B/L.
Proizvođač bi besplatno popravljao ugovorene mašine tokom garantnog perioda kvaliteta.
Ako do kvara može doći zbog nepravilne upotrebe ili drugih razloga od strane Kupca, proizvođač će naplatiti troškove dijelova za popravak.
Instalacija i otklanjanje grešaka:
Prodavac bi poslao svoje inženjere da upute instalaciju i otklanjanje grešaka. Trošak bi bio na strani kupca (avio karte u oba pravca, naknade za smještaj u zemlji kupca). Kupac treba da pruži pomoć na svom sajtu za instalaciju i otklanjanje grešaka.









