
- Brzina zatvaranja: 15-30 komada/min
- Nazivni napon: 110V/60Hz (US Standard)
- Snaga mašine: 0.8KW
- Amper: 2.2A
- Vanjske dimenzije: 2230*1460*1600 MM (D*Š*V)
- Pritisak vazduha: 0,7 MPa
- Težina: oko 300 kg
Obavijest prije pokretanja mašine za zatvaranje boca
1: Prije nego što se uređaj priključi, provjerite je li prekidač za napajanje u zatvorenom stanju, a zatim slijedite upute.
2: Ako mašina ne radi duže vreme, treba je obrisati komadom suve krpe i ne sme se čistiti nikakvim korozivnim sredstvom za čišćenje.
3: Strogo je zabranjeno uprskati bilo kakvu tekućinu u električnu kutiju mašine, kako bi se izbjegla korozija unutrašnjih električnih komponenti i uzrok kratkog spoja.
4: Provjeriti modele na listi za pakovanje opreme, specifikacije i količinu opreme i materijala kako biste bili sigurni da ispunjavaju zahtjeve standarda dizajna i proizvoda i da su popraćeni certifikatima o usklađenosti.
5: Provjerite izgled opreme kako biste bili sigurni da nema bilo kakvih deformacija, oštećenja i korozije, kao i da sva vretena trebaju fleksibilno rotirati bez ikakvih blokada.
6: Ova mašina radi pod jednofaznom AC 110V, a plosnati 3-kraki utikač za napajanje treba da bude uključen u utičnicu sa žicom za uzemljenje.
Tehnički parametri

- Brzina zatvaranja: 15-30 komada/min
- Nazivni napon: 110V/60Hz (US Standard)
- Snaga mašine: 0.8KW
- Amper: 2.2A
- Vanjske dimenzije: 2230*1460*1600 MM (D*Š*V)
- Pritisak vazduha: 0,7 MPa
- Težina: oko 300 kg
Mašina za zatvaranje u pojedinostima:



Strukture mašine

Opis električnog oka optičkih vlakana
Električno oko za otkrivanje boca:

 Kada radi u automatskom režimu, svrha ovog električnog oka je da detektuje dolazne boce.
Kada se otkrije dolazeća boca, "gramofon" se okreće.
Električno oko za isporuku kapaka

Kada radi u automatskom načinu rada, svrha ovog električnog oka je da otkrije ulazne poklopce.
Kada se otkrije ulazni poklopac, "mehanizam za vađenje" se podiže za uzimanje materijala.
Električno oko za isporuku kapaka

Kada radi u automatskom režimu: Svrha ovog električnog oka je da otkrije dolazeće boce.
Kada se otkrije ulazna boca, "mehanizam zatvarača" rotira zatvarač na dole.
Dugme za prebacivanje i priključak za ožičenje
Dodirni ekran i zaustavljanje u nuždi
 
 Motor napajanja i kontroler vibracione ploče poklopca

Kontroler vibracione ploče

Kontroler vibracione ploče: Podešavanjem napona, podesite brzinu pražnjenja.
Prekidač za napajanje i utičnice

Kontroler motora

Frekventni transformator: Podešavanjem dugmeta transformatora frekvencije, podesite brzinu motora.
Metoda za alarm i otklanjanje problema:
1. Hitno zaustavljanje je pritisnuto. Pritisnite graničnike u slučaju nužde na poklopcu mašine i pored ekrana osetljivog na dodir.
2. Izlaz dostiže podešenu vrijednost. Podesite izlaz, pritisnite dugme za brisanje da obrišete trenutni izlaz.
3. Ako se kape ne otkriju duže vrijeme, molimo provjerite. Provjerite indukcijsko vlakno čepa boce da li je dobro opremljeno. Provjerite jesu li poklopci na mjestu ili ne.
4. Ako se boce ne detektuju duži vremenski period, molimo provjerite. Provjerite da li su boce na mjestu.
Električno podešavanje očiju:
Struktura pojačala

Dijagram za optičko vlakno:

1. Prečka za zaključavanje optičkih vlakana
2. Indikator radnog statusa
3. Set
4. DSC indikatorska lampica
5. Digitalni monitor
6. Ručno dugme
7. Prošireni zaštitni poklopac
8. Konektor za proširenje
9. Prekidač za odabir napajanja
10. Dugme za način rada
11. Birač izlaza
12. Kablovi
13. Zaštita od prašine
14. Postavite vrijednost (zeleno)
15. Trenutna vrijednost (crveno)
Radni proces za podešavanje optičkih vlakana
- Kada električno oko padne u jaz, crvena vrijednost struje je 144.
- Kada električno oko padne na etiketu, crvena vrijednost struje je 4.
- Podesite zadatu vrednost", oko 1/2 vrednosti da je električno oko na papiru za telo (u procepu između objekata koji se detektuju) i vrednosti da je električno oko na papiru podešena vrednost je (144 4)/2=74, podesite ručno dugme da podesite podešenu vrednost na 74.
- Pomaknite razmak naljepnice naprijed-nazad na lokaciji električnog oka i crvenoj “signalnoj/indikatorskoj svjetlosti”.
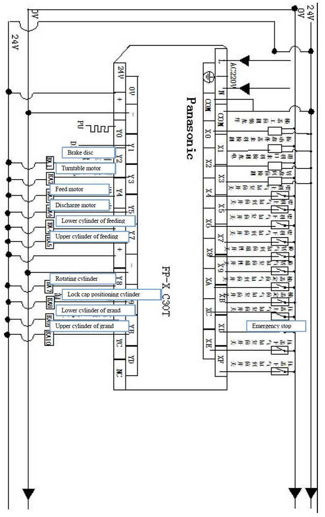
Dijagram strujnog kola



Mašina za zatvaranje boca za održavanje

1. Potrebno je provjeriti i održavati mašinu kako bi se mašina izdužila i optimizovala funkcija mašine;
- Radnu mašinu treba održavati svaka tri meseca;
- Ležaj i dio prijenosa zupčanika moraju biti podmazani mašću;
- Podmazivanje se mora vršiti periodično;
- Ulje za kliznu stazu (N68) treba dodati u dio kao što je kretanje klipnog mehanizma ili podizanje dva puta dnevno;
- Automobilsko ulje (N68) treba dodati u rotirajuće ili ljuljajuće dijelove;
- Svakih pola mjeseca dodajte mazivo u otvor za bregastu;
- Svaki mjesec jednom za uljnu mlaznicu dodavanjem masti;
2. Nikada nemojte koristiti metalne alate za udaranje ili struganje površine na kojoj je spoj konglomerat na dijelovima kao što su komponente ili kalup.
3. Ako mašina prestane da radi duže vreme, dodajte mast za podmazivanje u delove kao što su prenos ili deo ležaja; Također tretirajte mašinu vodootpornom zaštitom.
4. Nikada ne stavljajte nikakve predmete na mašinu da ne bi oštetili mašinu.
5. Povremeno čistite prašinu unutar komponenti, također provjerite sve zavrtnje i popravite sve olabavljene zavrtnje.
6. Provjerite zavrtnje na terminalima za ožičenje u određeno vrijeme i provjerite da li je vijak fiksiran;
7. Provjerite ima li labave stanice na razvučenom putu ožičenja od električnih kutija; Ako je dio previše labav, ponovno pričvrstite vijak kako biste izbjegli habanje ili oštećenje izolacijskog sloja što može uzrokovati curenje struje.
8. Provjeriti papučice koje se lako troše i na vrijeme zamijeniti oštećene;










