
- Glave za zatvaranje: 2 kom servo-moto vožnje
- Napon: 220V, 50/60HZ;
- Snaga: 3.0Kw
- Pritisak vazduha: 0,5–0,7 Mpa
- Amper: 8.5A
- Brzina: 40-45/min (prilagođeno prema oblicima i veličinama tegli)
- Odgovarajući prečnik proizvoda: φ28-φ125mm poklopci (Nestandardno prilagođeni)
- Prolaz žlijezde: ≥99,5% (u zavisnosti od greške poklopca i boce)
- Veličina mašine: 3300*1150mm*1908mm
- Težina: 450 kg
Pre nego što uključite mašinu. Molimo pažljivo pročitajte ovaj priručnik radi sigurnosnih pitanja i pravilne upotrebe stroja. Da biste izbjegli nesreće osoblja i smanjili učestalost oštećenja stroja.
U slučaju korozivnih proizvoda, vodite računa da izbjegnete dodirivanje ili prskanje korozivnih predmeta na samu mašinu i osoblje.
- Izbjegavajte korištenje mašine na mjestima izloženim vibracijama ili sudarima.
- Kada mašina radi, telo osoblja ne može dodirnuti pokretne delove.
- Mašinu treba izbegavati na preterano vlažnim mestima. I uključite ga u napajanje, žica za uzemljenje ispravno uzemljena, kako biste izbjegli sigurnosnu nesreću.
- Rukovalac treba da održava normalno fizičko i psihičko stanje. Ako uzimate alkohol, tablete za spavanje ili druge droge koje su štetne za vaše mentalno stanje, prestanite da koristite mašinu.
- Operater mora nositi odgovarajuću odjeću kako bi izbjegao ozljede uzrokovane uključivanjem odjeće u kotrljajuće dijelove i ne smije stavljati nikakve strane predmete na mašinu.
- Ako se tokom upotrebe jave buka ili druge abnormalnosti, odmah zaustavite i provjerite. Tehničari koji nisu inženjeri, nemojte proizvoljno prenositi dijelove mašine.
- Redovno (jednom/tjedno) održavanje i njega, izbjegavanje prskanja vode ili bilo koje tekućine i elektroničke kontrolne kutije ili druge električne komponente prilikom čišćenja stroja.
- Molimo Vas da radite u skladu sa uobičajenim radnim procedurama i održavajte površinu mašine čistom i urednom.
Mašina za zatvaranje se primenjuje na sve vrste kozmetike, medicine, veterine, pesticida, ulja za podmazivanje i drugih industrijskih polja u procesu pakovanja.





Princip i karakteristike mašine za zatvaranje tegli:
- Električna automatska kontrola, stabilna je;
- Sa uređajem za pozicioniranje zatvarača, standardno zaključanim poklopcem, rad je zgodan;
- Brava pokriva širok raspon, može okretati različite oblike specifikacije kape;
- Ograničavanje brzine, zatvor centrifuge, istovremeno također može prema potrebi prilagoditi čvrstoću premotavanja.


Osnovni parametri mašine za zatvaranje kozmetičkih tegli:

1. Glave za zatvaranje: 2 kom servo-moto vožnje
2. Napon: 220V, 50/60HZ;
3. Snaga: 3.0Kw
4. Pritisak vazduha: 0,5--0,7Mpa
5. Amper: 8.5A
6. Brzina: 40-45/min (prilagođeno prema oblicima i veličinama tegli)
7. Odgovarajući prečnik proizvoda: φ28-φ125mm poklopci (Nestandardno prilagođeni)
8. Brzina prolaza žlijezde: ≥99,5% (u zavisnosti od greške poklopca i boce)
9. Veličina mašine: 3300*1150mm*1908mm
10. Težina: 450 kg
Opis dijela hosta


Prekidač za napajanje: Kontrolirajte napajanje uključeno---isključeno.
Indikator napajanja: uključeno—zeleno svjetlo uključeno, napajanje isključeno—zeleno svjetlo isključeno.
Zaustavljanje u nuždi: Koristi se za trenutno zaustavljanje mašine ili za resetovanje funkcije tokom nužde ili greške.
1. Pokrenite fotoelektrični rad: Mašina je u funkciji, kada fotoelektrična detekcija otkrije da postoji boca i da ima poklopac, gramofon može početi s radom. Ako jedan od dva fotoelektrika nije detektovan, gramofon se ne okreće.
2. Porijeklo fotoelektrični: Koristi se za kontrolu koračnog motora za pokretanje pozicioniranja gramofona, tako da se boca može glatko umetnuti u poklopac.
3. Kapica fotoelektričnosti: Provjerite je li poklopac na svom mjestu i fotoelektrično otkrijte da postoji okretna ploča poklopca za rotaciju.
4. Pokrijte fotoelektričnost: Kontrolisanje pokretanja i zaustavljanja mašine za gornji poklopac, kada se poklopac koji je obezbedila mašina za gornji poklopac sortira na poziciju koju detektuje fotoelektrik, fotoelektričnost je uvek svetla, mašina za pokrivanje se zaustavlja za poklopac i implementira se inteligentni poklopac .
5. Zaključajte poklopac fotoelektrike: Kada boca sa poklopcem prođe, detektuje se fotoelektrična detekcija, a poklopac se aktivira prema zadatom vremenu kašnjenja (specifični parametri se podešavaju prema brzini pokretne trake kada je mašina podešena).
6. Sistem za zaključavanje poklopca: Boca sa poklopcem je ista, fotoelektrično odgoda starta, odgoda do boce stezaljke cilindra, zatvarač se spušta, poklopac rukohvata - poklopac sa navojem - otpuštanje hvataljke - kapica za zaključavanje se podiže - kopča boca je olabavljena, i proces zaključavanja zatvarača je završen. U poklopac brave, kada je poklopac za zaključavanje 1# u poklopcu za zaključavanje, ulazi druga boca. U ovom trenutku, cilindar boce sa stezaljkom 2# se pomiče, a poklopac brave 2# se aktivira da zaključa poklopac. (Kada čep koji je zaključan glavom brave 2# prođe bocu sa kopčom 1#, nemojte ponavljati poklopac brave.

Opis sučelja čovjek-mašina

Stranica za pokretanje
3.1 Stranica za pokretanje ima izbor operacija na engleskom, kineskom, ako odaberete kinesko dugme, uđite u sljedeće sučelje:

Drugi interfejs
zaustaviti: Prekidač za pokretanje cele mašine, dodirnite ovaj taster, mašina radi u automatskom režimu, ponovo dodirnite ovaj taster, mašina prestaje da radi.
Test kapija: Testirajte rad mašine.
Brzina gramofona: Što je veći parametar brzine, što je brzina veća, to je parametar brzine sporiji. (Ali postoji maksimalno ograničenje.)。
Kašnjenje gramofona: Postavke vremena pokretanja gramofona, u skladu sa efektom glatkog rada gramofona.
Kašnjenje ograničenja: Nakon gramofona do naznačene stanice, odgodite vrijeme čekanja, cilindrični poklopac.
Vrijeme zatvaranja: Vrijeme potrebno za zaptivanje cilindra.
Izlaz: Popunite zapis o broju poklopca brave, pogodan broj proizvodnje. Pritisnite-reset-taster za brisanje.
X1. X3. X14: Provjerite da li je fotoelektrik u radnom stanju refleksije, lako vidjeti rad stanja mašine,
Ograničavajući parametar: Pritisnite ovaj taster i uđite u sledeći interfejs:

Interfejs je stranica parametara koja se postavlja za svaku radnju 1 # brave glave u sistemu poklopca servo brave, razumno podešavanje parametara je korisno za stabilnost mašine i poboljšanje efikasnosti.
Povratak: Pritisnite ovo dugme za povratak na drugi interfejs.
I/O: Pritisnite ovo dugme da uđete u sledeći interfejs:

Bodovi serije X: Je ulazna tačka za otkrivanje da li je fotoelektrik u radnom stanju, lako se vidi rad mašine, lako se održava.
Bodovi serije Y: Da li je izlazna točka izvršnih komponenti normalnog stanja povratne sprege, također može ručno pritisnuti kontrolnu tipku za testiranje da li su izvršne komponente normalne.
Sistem za dovod kapa: Može biti stabilan i uredan prema propisanom smjeru pokrivanja.
Podešavanje nagiba: razuman kut može se podesiti kako bi se kontroliralo da se poklopac ne penje u klizač.
Regulacija frekventnog pretvarača: kontrolirati brzinu poklopca.


Održavanje opreme za zatvaranje staklenki:
1. Održavajte mašinu u stanju isključene struje i gasa kako biste osigurali sigurnost. Održavajte mašinu čistom i urednom, bez sitnica na mašini, bez sitnih predmeta, pribora, vijaka itd.
2. Ulje za podmazivanje se redovno dodaje na mehanizam pokretnih dijelova kako bi se osiguralo dobro radno stanje mehanizma.
3. Redovno ispuštajte vodu iz jedinice filtera zraka i dodajte ulje za podmazivanje kako biste osigurali pravilnu upotrebu cilindra i produžili vijek trajanja.
4. Redovno proveravajte i popravljajte mašinu. Procijenite radno stanje opreme putem vida i uha kako biste bili sigurni da mašina radi dobro.
Napomena: molimo koristite i održavajte u strogom skladu s uputama, jamstveni rok je strogo zabranjeno otvarati i rastavljati, inače šteta uzrokovana ovim kao ljudska šteta, nema besplatnog popravka. Ovo uputstvo je podložno promeni bez prethodne najave; ako i dalje postoji bilo kakva nesigurnost u vezi sa radom ove mašine, nazovite nas u bilo koje vrijeme za upite
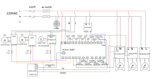
U prilogu električna šema:

Gotovi zatvoreni čepovi uzorci mašina za zatvaranje staklenki:





Ocjene: za četvrtaste crne staklenke zbog čepova koji su podložni ogrebanju, dizajnirane su sa sistemom podizanja za izvlačenje čepova iz posuda i njihovo postavljanje u stanicu za zatvaranje za zatvaranje. Detaljan princip rada je ilustrovan na sljedeći način: Radni proces:
1. Ručno stavljanje čepova u tacnu (15*15 ili 10*10)

2. Stavljanje ležišta u stanicu za spremanje
3. Roboti koji skupljaju tegle

4. Završetak procesa pozicioniranja boca i zatvaranja
5. Izlaz staklenki s poklopcima











